понедельник, 22 ноября 2021 г.

[View 20+] Central Ac Wiring Diagram

View Images Library Photos and Pictures. 1996 Vw Jetta Wiring Diagrams Database Wiring Diagram Express Express Media Piu It Diagram Amana Central Air Conditioner Wiring Diagram Full Version Hd Quality Wiring Diagram Enginelub Renault4 Fr How To Wire An Air Conditioner For Control 5 Wires Easy Diagram Mustang Blower Motor Wiring Diagram Full Version Hd Quality Wiring Diagram 2phasediagram Osterianonnagina It

November 3 2018 by larry a. Variety of central air conditioner wiring diagram.

. Diagram Wiring Diagram For Central Air Unit Full Version Hd Quality Air Unit Modellingo Epicerie Badel Fr C5 Corvette Ac Wiring Diagram Wiring Diagrams Img Progress A Progress A Farmaciastorelli It Automotive Air Conditioning System Diagram Automotive

Diagram Astra H Air Con Wiring Diagram Full Version Hd Quality Wiring Diagram Usb To Serial Pin Diagram Godsavethekitchen Fr Diagram Astra H Air Con Wiring Diagram Full Version Hd Quality Wiring Diagram Usb To Serial Pin Diagram Godsavethekitchen Fr

Diagram Astra H Air Con Wiring Diagram Full Version Hd Quality Wiring Diagram Usb To Serial Pin Diagram Godsavethekitchen Fr Always refer to your thermostat or equipment installation guides to verify proper wiring.

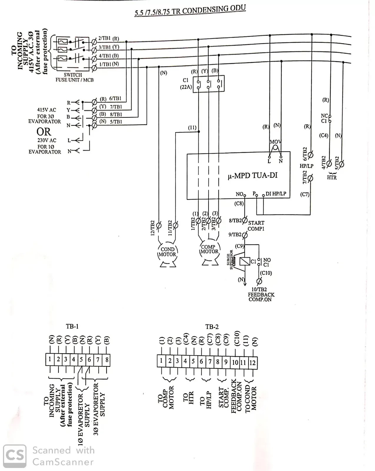
Diagram Astra H Air Con Wiring Diagram Full Version Hd Quality Wiring Diagram Usb To Serial Pin Diagram Godsavethekitchen Fr

. Breakdown of colors and terminals thermostat wiring diagram for ac unit. W terminal to the white wire. A wiring diagram is a simplified traditional pictorial depiction of an electric circuit.

How to wire an hvac ac unit. A wiring diagram is a simplified conventional photographic depiction of an electrical circuit. R terminal for the red wire.

G terminal to the green wire. Red wire for air conditioner control power hot. Y terminal to the yellow wire.

Central ac wiring diagram wiring library central ac wiring diagram. Wiring diagram will come with a number of easy to follow wiring diagram directions. A wiring diagram is a simplified conventional photographic depiction of an electric circuit.

Wiring diagram not merely gives in depth illustrations of what you can perform but also the procedures you should follow while carrying out so. My paperback and e book. It shows the components of the circuit as simplified shapes and the power and signal connections between the devices.

It reveals the parts of the circuit as simplified shapes and the power as well as signal connections between the devices. Variety of central air conditioner wiring diagram. It is intended to aid all the common user in creating a suitable method.

C terminal to the blue wire. Using this guidebook you may be able to find out how each and every component ought to be related as well. Not only are you able to locate various diagrams but you may also get step by step directions for a particular venture or topic that youd like to know more about.

These guidelines will probably be easy to comprehend and implement. How to wire an air conditioner for control 5 wires. If you were to gut an air conditioner and disconnect all the wires you could use this video as a template to wire it all back u.

Some ac systems will have a blue wire with a pink stripe in place of the yellow or y wire. Ac wire diagrams wiring diagram central ac wiring diagram. 5 this diagram is to be used as reference for the low voltage control wiring of your heating and ac system.

Wellborn collection of central air conditioner wiring diagram. It shows the parts of the circuit as streamlined shapes as well as the power and also signal connections in between the tools.

Diagram Mustang Blower Motor Wiring Diagram Full Version Hd Quality Wiring Diagram 2phasediagram Osterianonnagina It Diagram Mustang Blower Motor Wiring Diagram Full Version Hd Quality Wiring Diagram 2phasediagram Osterianonnagina It

Diagram Wiring Diagram For Central Air Conditioning Unit Full Version Hd Quality Conditioning Unit Eauclaireblackfriday Trodat Printy 4923 Fr Diagram Wiring Diagram For Central Air Conditioning Unit Full Version Hd Quality Conditioning Unit Eauclaireblackfriday Trodat Printy 4923 Fr

Central Ac Control Wiring Diagram Household Wiring Diagram For Lighting 3phasee Ab18 Jeanjaures37 Fr Central Ac Control Wiring Diagram Household Wiring Diagram For Lighting 3phasee Ab18 Jeanjaures37 Fr

Electrical Wiring Diagrams For Air Conditioning Systems Part Two For Carrier Split Ac Wiring Diagram Ac Wiring Air Conditioning System Electrical Wiring Electrical Wiring Diagrams For Air Conditioning Systems Part Two For Carrier Split Ac Wiring Diagram Ac Wiring Air Conditioning System Electrical Wiring

How To Read Ac Schematics And Diagrams Basics Youtube How To Read Ac Schematics And Diagrams Basics Youtube

Diagram Outside A C Condenser Unit Wiring Diagram Full Version Hd Quality Wiring Diagram Pischematic11 Ancoraweb It Diagram Outside A C Condenser Unit Wiring Diagram Full Version Hd Quality Wiring Diagram Pischematic11 Ancoraweb It

Diagram O General Split Ac Wiring Diagram Full Version Hd Quality Wiring Diagram Wiringindex Focale3 Fr Diagram O General Split Ac Wiring Diagram Full Version Hd Quality Wiring Diagram Wiringindex Focale3 Fr

C5 Corvette Ac Wiring Diagram Wiring Diagrams Img Progress A Progress A Farmaciastorelli It C5 Corvette Ac Wiring Diagram Wiring Diagrams Img Progress A Progress A Farmaciastorelli It

Hvac Wiring Diagram For 2004 Honda Accord Lx Wiring Diagrams Img Progress A Progress A Farmaciastorelli It Hvac Wiring Diagram For 2004 Honda Accord Lx Wiring Diagrams Img Progress A Progress A Farmaciastorelli It

5915a Central Ac Relay Wiring Diagram Online Wiring Diagram Wiring Library 5915a Central Ac Relay Wiring Diagram Online Wiring Diagram Wiring Library

Diagram Capacitor For Carrier Ac Wiring Diagram Picture Full Version Hd Quality Diagram Picture Intelliphonetexting Marquagepascher Fr Diagram Capacitor For Carrier Ac Wiring Diagram Picture Full Version Hd Quality Diagram Picture Intelliphonetexting Marquagepascher Fr

Diagram Residential Central Air Wiring Diagram Full Version Hd Quality Wiring Diagram Blogwiring2a Atuttasosta It Diagram Residential Central Air Wiring Diagram Full Version Hd Quality Wiring Diagram Blogwiring2a Atuttasosta It

2014 Ford F150 Wiring Diagram Wiring Diagrams Central Central Inmediarex It 2014 Ford F150 Wiring Diagram Wiring Diagrams Central Central Inmediarex It

Voltas Ac Wiring Diagram Hvac Engineer Voltas Ac Wiring Diagram Hvac Engineer

How To Read Ac Schematics And Diagrams Basics Hvac School How To Read Ac Schematics And Diagrams Basics Hvac School

Diagram 2wire Thermostat Wiring Diagram Youtube Full Version Hd Quality Diagram Youtube Usb To Serial Pin Diagram Godsavethekitchen Fr Diagram 2wire Thermostat Wiring Diagram Youtube Full Version Hd Quality Diagram Youtube Usb To Serial Pin Diagram Godsavethekitchen Fr

2010 F150 Hvac Wiring Schematic Wiring Diagram Curve Curve Mukura Fr 2010 F150 Hvac Wiring Schematic Wiring Diagram Curve Curve Mukura Fr

Go 2779 Central Ac Wiring Diagram Schematic Wiring Go 2779 Central Ac Wiring Diagram Schematic Wiring

Diagram Central Ac Wiring Diagram Full Version Hd Quality Wiring Diagram Autowirings Cogito Expo Fr Diagram Central Ac Wiring Diagram Full Version Hd Quality Wiring Diagram Autowirings Cogito Expo Fr

Diagram Central Ac Wiring Diagram Full Version Hd Quality Wiring Diagram Table2diagram Hommevetements Fr Diagram Central Ac Wiring Diagram Full Version Hd Quality Wiring Diagram Table2diagram Hommevetements Fr

Air Conditioner C S R Wiring Diagram Compressor Start Full Wiring Fully4worl Refrigeration And Air Conditioning Air Conditioner Air Conditioning Installation Air Conditioner C S R Wiring Diagram Compressor Start Full Wiring Fully4worl Refrigeration And Air Conditioning Air Conditioner Air Conditioning Installation

Diagram 1 Wire Alternator Wiring Diagram Vw Jetta Full Version Hd Quality Vw Jetta Msdiagramaa Soccerbook It Diagram 1 Wire Alternator Wiring Diagram Vw Jetta Full Version Hd Quality Vw Jetta Msdiagramaa Soccerbook It

Hvac Not Working Jeep Garage Jeep Forum Hvac Not Working Jeep Garage Jeep Forum

Diagram 1977 Chevy Truck Hvac Wiring Diagram Full Version Hd Quality Wiring Diagram Wiringidaho2a Paranorman Ilfilm It Diagram 1977 Chevy Truck Hvac Wiring Diagram Full Version Hd Quality Wiring Diagram Wiringidaho2a Paranorman Ilfilm It

Diagram Wiring Diagram For Central Air Conditioner Full Version Hd Quality Air Conditioner Wiringdcctools Mami Wata Fr Diagram Wiring Diagram For Central Air Conditioner Full Version Hd Quality Air Conditioner Wiringdcctools Mami Wata Fr

Hvac Wiring Schematics 1997 Jeep Wiring Diagram Datasheet B Datasheet B Donnaromita It Hvac Wiring Schematics 1997 Jeep Wiring Diagram Datasheet B Datasheet B Donnaromita It

Комментариев нет:

Отправить комментарий