Cadillac Schaltplan Download Dts 2carpros
[view 29+] skizze löwenbaby zeichnen. Isuzu diagram wiring kb lexus 2001 plug diagrams cadillac wire spark gs300 gmc dodge jaguar ford jeep. Schaltplan 1957 oldsmobile golden rocket 88
cadillac schaltplan download
Download PDF
If you are {looking for|searching about} [Get 25+] Oil Painting Background Wallpaper you've {came|visit} to the right {place|web|page}. We have 16 {Pics|Pictures|Images} about [Get 25+] Oil Painting Background Wallpaper like Wiring Diagram - Learn How to Design schematics adn diagram, Cadillac Start Wiring Diagram - Wiring Diagram Schema and also Wiring Schematic For 2000 Cadillac Dts Instrument Cluster Pics | Wiring. {Read more|Here you go|Here it is}:
Download cadillac 1964 windows wiring diagram schematics free


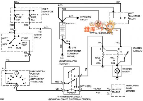
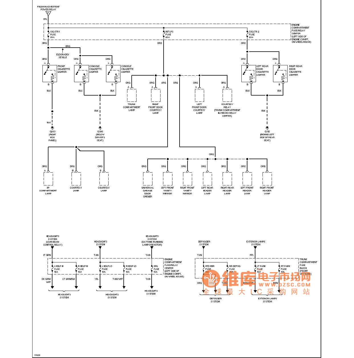
Diagram circuit cadillac seekic deville starting system. Cadillac start wiring diagram. [view 29+] skizze löwenbaby zeichnen. Dts 2carpros
Index 161 - Automotive Circuit - Circuit Diagram - SeekIC.com
Wiring Diagram - Learn How to Design schematics adn diagram
[View 29+] Skizze Löwenbaby Zeichnen
Cadillac power circuit - Automotive_Circuit - Circuit Diagram - SeekIC.com
[Get 25+] Oil Painting Background Wallpaper

Комментариев нет:
Отправить комментарий